SLVCCCの差動回路部分にはバイアス電圧の最適地値が-3Vより深く、プレート電流が0,5mA以下でも十分な直線性を持った球が有利です。しかしこれが意外と難しいオーダーで、なかなか該当する球が見当たりませんでした。

今回のSLVCCCには5725(6AS6)を予定していて、2球合計のカソード電流が0,6mAまでならば、プレート電圧3Vにおいて、かなりリニアな電流特性による動作が期待できます。


             


そこで6N7の低電圧小電流領域を測定してみたところ、5725のグリッド電圧12〜13V付近で、ほぼ希望通りの特性を持つと判明しました。とくに今回必要なゲインは150倍程度ですが、これが今回のような特別な条件にもマッチしています。


             


特別というのは、グラフからEb=150Vの動作例では約25倍のゲインとなるため、これを差動増幅で使うと約8倍程度になります。そこでもう1段6N7によるEp=600Vの動作を行えば、ちょうど160〜190倍程度になるという事です。


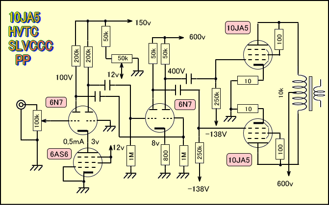
かつて計測しておいた6N7のカーブを用いてロードラインを引いてみると、出力電圧レベルも含めうまいぐあいに予定通りとなりました。カソード抵抗は1,6kΩとなっていますが、実際は共通カソードなので800Ωとなります。


             


以上の条件から下の回路図ができました。初段とドライバー段は直結することもできますが、カソード電圧の上昇で出力電圧の余裕が無くなるためCR結合にしました。直結とするにはドライバーに750Vが必要となります。


   






つづく







その2