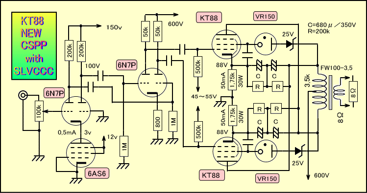
より高出力を目指すと、負荷抵抗を下げなければならず、同時にカソード抵抗も減少します。これにより無駄なカソード抵抗の電力は減少するのですが、そのままの回路ではG2電圧が高すぎてしまいます。

そこで定電圧放電管VR150とツェナーダイオードによりG2電圧を下げることにしました。実は定電圧放電管のストックが多くあるのに、最近用途が見当たらず困っていたため、丁度良い機会となりました。

通常私は3極管接続時、KT88のプレートやG2に600V程度を平気でかけます。しかし5極管接続ではG2損失が大きくなるため、G2電圧を規格表以上にしません。なぜなら、それは球にとって非常に危険なことだからです。

逆にこの2つの接続方式では、動作状態が全く異なるのだという点が充分に理解されなかったため、3極管接続時のG2耐圧に対し、今まで大きな誤解をもたらして来たといえます。





以上の設計により実質プレート電圧は約500V、G2電圧は330Vとなりました。この時KT88の規格表から、マイナス35Vくらいが最適バイアスとなります。

OPTについては最近HVTCが中心となり、ハイインピーダンスのOPTばかり買っていたのですが、ちょうど40年前に中古で買ったFW100−3,5があったので、これを使います。

電源トランスは、これまた40年以上前に秋葉原のジャンク屋で購入した、シールドケース入りの業務用大型タイプを使用します。このトランスもやっと出番がめぐってきました。他のトランスも100歳になる前に使ってやりたいものです。


                


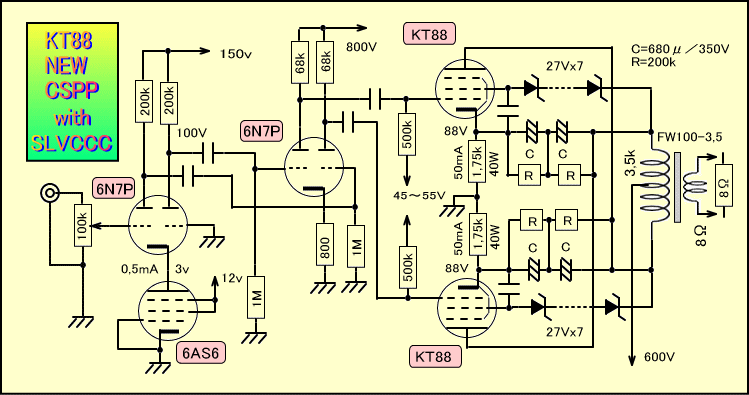
しかしトランスを乗せたシャーシ上を良く見ると、定電圧放電管4本分のスペースがありません。また電流容量も心配なので、全てツェナーダイオードで構成することにしました。

さらに少々メンドウですが、ドライブ電圧の高さを考慮して、ドライバー段の供給電圧を800Vまでかさ上げします。おそらくこれでも、ドライブ能力はギリギリでしょう。





この回路方式のメリットは、出力用カソード抵抗が出力に寄与しているだけでなく、電流の安定度にも寄与している点で、いわゆるカソードバイアス抵抗のオイシイところだけを頂戴しています。

結果的にカソード抵抗の電力損失は、1球あたり4,4Wまで減少し、実際のワッテージは30W以下で済みそうです。尚ここまで本格的に作るなら、300Bへの変更は除外して、このアンプに専念しましょう。












.
その3 カソード抵抗の変更とハイパワー回路