水平出力管のg2耐圧が低いのは理解しているつもりでした。多くの先達もそのように記述していますし、何よりも規格表にそう書いてあります。

ではその耐圧を超えたとき一体何が起きるのか。それを調べようとしても、そこは危険だ、そこを超えるべきではない、という声が聞こえてくるばかりで、具体的な答えが見つかりません。

このような時、その一線を超えてしまう人と超えない人に分かれますが、今回も12ピン水直出力管10JA5を600VのHVTCで動作させます。このサイトでは初めてのHVTC・PPアンプとなります。





上のスペックを見ると、水直出力管といってもプレート損失の大きさを含め、水平出力管のプレートをシングルエンドにしたような造りで、トランジスタ混在型カラーテレビ時代最後期の、大型超広角ブラウン管用とも思われます。

動作電圧は規格表のg2耐圧300Vを大幅に無視した600Vとし、位相反転は300Bハイパワーアンプに次いで再度SLVCCCを採用します。つまりこのアンプは私にとっても初めての、HVTC,SLVCCC2大方式合体アンプとなるわけです。

10Vというヒーター電圧は、5VのSW電源が出回っている現在、それほど扱いにい値ではなく、それらを2台直列にして使用します。

ただし小型、低価格のものは、単純な部品構成によるシングルフォワードタイプのため、絶縁トランスに発生している波形がかなりパルシブになり、これが電磁波ノイズの問題を起こすかもしれません。

電磁波ノイズはスピーカーから出ることはないのですが、測定時に影響を及ぼし、正確なノイズ値が出せないことがあるため厄介です。


    
                                             トランス2次側波形

測定した10JA5の3極管接続は、下の動作例に見られる通り、プレート供給電圧350Vでシングルアンプを作った場合、出力5Wとして十分通用する美しい特性を持っていました。


      


ということで計測した特性カーブから、プレート電圧600Vによる47WというB1級PPパワーアンプを考えました。確かにB級PPをハイファイ向きと考える人は少ないでしょう。

しかし高めの負荷抵抗で動作させた3極管PPは、とても優れたカットオフ特性を示すことが多くの特性カーブから示されています。つまりこのアンプは6CA10に対する貧乏人の挑戦状なのです。

なにしろ現在(2013.10.13)この球はフロービスにて1本900円で買えるのですから。また無信号時の電流が少ないということは、OPTのアンバランス電流の発生も少なくなる訳ですから、長期の安定が望めます。


    


さらにOPTのP1−B−P2間における相互作用が少なく済むため、むしろB級動作の方がシングルアンプに近い素直な音になるはずと予見しでいるのです。

それでもプレート損失4倍拡張理論によるPdd=76Wには十分余裕があり、長時間最大出力を出してもOKです。

内部抵抗はバイアス電圧−90V近傍において930Ωとなり、P-P間負荷10kΩに対する信号源インピーダンス=1,9kΩから、5,3程度のダンピングファクターが見込めます。


   


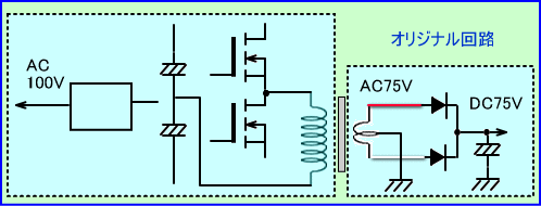
ところでこのアンプのB電源には、以前多量に衝動買いしてしまった75V 3,5AのSW電源を使うことにしました。

かつてオールSW電源で構成したSEPPアンプに4個ほどを活用した後、残りの購入分が長い間眠っていましたが、最近トランスの2次側に38kHz、150Vの矩形波が出ていると気づき、4倍電圧で600V 420mAが得られると判ったのです。





まずはオリジナルの回路が下のブロック図です。パルス成分の無い、きれいな38kHzの矩形波が出ています。


   
                                                        トランス2次側波形(38kHz)


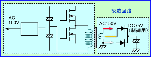
これを下のように改造します。ただし実用化には絶縁トランス2次側片方をグランドへ接地し、ノイズが浮遊しないようにするする必要があるため、2次側のセンタータップをグランドから切り離し、コイルの片端をグランドに接続するという改造が必要になります。


 


ところがセンタータップにつながるプリントパターンは、部品が固定されている表面側にあるため削ることができません。そこで少々手荒ですが裏側から周囲にドリルで穴を開け、基板パターンから切り離すことで絶縁しました。

センタータップから出した75Vは、既存のダイオードに半波整流させ、そのまま安定化のために必要なフィードバック電圧として使っています。


 

           


こうして初段SLVCCC用に150V、ドライバーとパワー段用に600V、バイアス用に−150Vという電源のプランがアンプ本体よりも先にまとまりました。ドライバーはこれに合わせて設計します。





電源フィルターの抵抗値30Ωは少な目に見えますが、38kHという通常の633倍の電源周波数では、コンデンサの実質容量がそれだけ増したことになり、問題なしと読みました





つづく







10JA5は貧困者のための6CA10となるか