禁断の実験 その4 
新しいコトバ・・・「高圧3極管接続」
[High Voltage Triode Connection]

ここまでの実験結果(禁断の実験1〜3)をもって、いろいろな真空管を使った、高圧3極管接続(HVTC)のアンプによる製作例を報告します。

「高圧3極管接続=HVTC」とは、結局3極管接続を新しい判断で動作させる行為で、まだ世界的にも類例がほとんどありません。

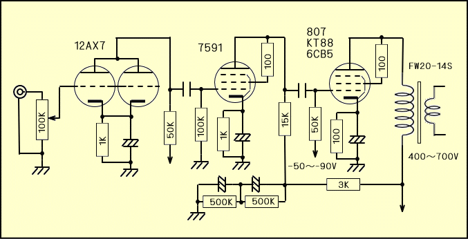
テストする真空管は、小型送信管の代表として807、オーディオ管代表としてKT88、水平出力管代表として6CB5を用います。

回路は下の図のような、ごくシンプルな3段増幅回路で、特性を探るためカソードフォロワなどもない、全段完全無帰還となっています。





高圧3極管接続は、ドライブ電圧が大きくなり勝ちなので、スイング電圧の大きなドライバーが必要です。

ただしA1級なので出力インピーダンスは無理して低くする必要はありません。それでは、おそらく世界初の検証結果をご覧ください。


その1−送信管807によるHVTC

まず807では 第2グリッドの定格300Vに対し、600Vでも問題なく動作します。最大出力は8Wです。ただしバイアスが深い部分はカーブの間隔がが狭く2次歪が多そうだとわかります。

無信号時もう少し電流が流せたら、カットオフがさらに深くなるので、出力の増加が見込めますが、今回はここでやめておきます。






その2−オーデイオ管KT88によるHVTC

KT88では定格600Vに対し700Vでも問題ありません。プレート電圧が450V時の、これまでの設計では、アイドリング電流が80mAでしたが、HVTCでは50mAに抑えられ、また負荷も5KΩから10KΩになるので、OPTの直流磁化やDF値で有利になります。

実際は800V以上かけても大丈夫だと思いますが、プレート損失の大きさから、妥当な電圧として700Vで動作させます。

さすがオーディオ用真空管だけあってすぐれた直線性を持っていますが、図の動作ではプレート入力が35Wになり、わずかながらプレートの赤化が起こるので、実際は680V40mA程度にしています。

高圧3極管接続では、高圧のスクリーングリッドにより電子の加速が起こり、プレートの赤化がおこりやすくなると判断されるので、実際の設計においては、プレート損失の70〜80%に抑えたほうが良いでしょう。

最大出力は9W、DFは4,5程度と扱いやすい値で、負荷抵抗は14KΩでもOKです。





音質は非常に優れていて、まさに知られざる名3極管という印象があり、さらに入手のしやすさから高圧3結の入門にぴったりです。というより、多くの人が、この事実を知らずにいるというのは、もったいない話だと感じます。


その3−水平出力管6CB5によるHVTC

スクリーングリッド耐圧が低いとされている水平出力管ですが、250Vの定格に対し、500V以上でまったく問題ありません。

実際はEp500V、Ip50mAで10W以上出そうとしたら若干プレートの赤化がみられたので、プレート入力を20W程度に抑えています。プレート効率はかなり良いと思います。

特性の傾向はは807に似ていますが、水平出力管は電流が流れやすいので、500V以上のプレート電圧による動作はバイアスが深くなりすぎ、あまり有効な使い方になりません。






HVTCの実験でわかったこと

高圧3結は電極構造の精度により、電子ビームの偏りが明確に現れる為、部分的なプレートの赤化が起こりやすくなります。

このためプレート損失ギリギリまで使えない事や、ドライブ電圧が高いなど欠点もありますが、最適負荷が高いので、完全無帰還のシングルアンプでも歪が低く抑えられ、ダンピングファクターも適度な大きさを確保できる利点があります。

また電圧が高い分、少電流で動作させるので、OPTの直流磁化を抑えることが必要な、シングルアンプに向いていると言えましょう。むしろPP回路では、OPTの1次インピーダンスが20KΩ程度以上と高くなりすぎ、不向きです。

スクリーン耐圧の制約がなくなり、使用できる球の範囲が一気に拡張されたことで、安い5極管球でも3極管接続が活用できます。高圧になじみの無い方々にもぜひ、この新しい考え方を体験して、素のA級シングルアンプサウンドを味わっていただきたいと思います。

とは言え、天動説がまかり通る中、地動説を唱えるようなこの考えが広まるのは、10数年以上かかると思います.。当分の間は悪魔の思想として忌み嫌われることでしょう。また多くの書籍が誤解を与え、それが定着しているという現実も考慮に入れなければなりません。

次は4D32による実験です。







.
その1 新たなる常識の幕開け
その2 実験機の製作と測定
その3 今明かされる第2グリッドの意外な真実
その4 新しいコトバ「高圧3極管接続」
その5 4D32によるHVTC
その6 新しいドライバー6HV5とは
前のページ(禁断の実験)
前のページ(807研究
前のページ(KT88バラエティー)