「禁断の実験」
高圧アンプに最適なドライバー6HV5とは




この球を別のサイトで知った時、高いμとプレート耐圧から、当然811Aなどに取って代わるパワーアンプへの活用を考えていました。しかし購入して特性を測ってみると、いわゆるパワーグリッドの送信管とは性質が異なり、なかなか扱いにくい事がわかったのです。

そこで海外のサイトを探すうち、211のドライバーとしての使用例を発見。早速ロードラインから動作領域を探ってみると、確かにプレート電圧1000Vで増幅率150倍、P−P400V位出せる凄腕のドライバーになることがわかりました。


        

            


そこでまず、GK713結シングルアンプのドライバーを6HV5に変更することにしました。というのも6CA7によるドライバーは160Wのプレート抵抗でも相当な熱を持っていたからです。

そして回路は下の図のように変更した結果、プレート抵抗の発熱はかなり減少しました。この球の最大の特徴は高電圧でもプレート電流が低く抑えられるという点でしょう。





これによりシンプルな回路構成となりました。音はだいぶスッキリしたような気がしますが、このあたりの感覚は錯覚が多いので、とりあえず「悪くは無い。」という控えめな評価にとどめようとしました。

しかし、つい欲が出て、4D32のドライバーも6HV5にしたくなりましたが、4D32シングルアンプは、プレート供給電圧がたったの750Vです。それでもとりあえず動作させてみたところ、バイアスが浅すぎて、グリッド電流の影響が出てしまいました。

こうなったら乗りかけた船、ということで倍電圧回路を増設し、1100Vで動作させると、これがなかなか良いではありませんか。と、ここまできて、本当は7591ドライブとどっちが良かったのだろうかという疑問がでてしまいました。

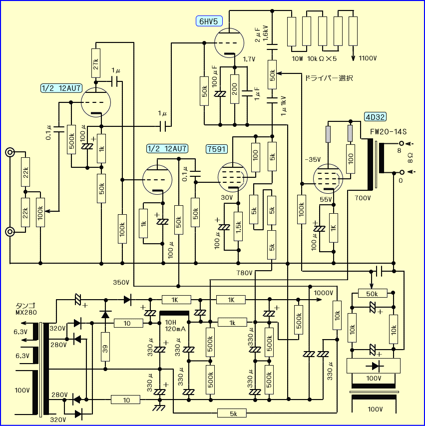
そこでさらに改造を進め、両方のドライバーを搭載した、近代まれに見るおバカなアンプが、下の回路図です。





このアンプはドライバー選択ツマミで、無段階的にふたつのドライバーの音を楽しめます。比較してみると、ほとんど差がありませんでした。

プレート抵抗とカソード抵抗が異なる位相反転回路が初段に入っているのは、ふたつのドライバーの増幅段数の違いを打ち消すためと、双方のゲインを合わせるためです。

こうしてシンプルなアンプを作ってみると、真空管は本来良い特性を持っていることがよく分かり、まずそれを引き出すことが大事だと感じました。

エンジニアとして回路をいじり回し、己の存在を示したくなる気持ちは解らなくもありませんが、それはせっかくの本マグロに、余計な手を加えてしまう料理職人のようでもあります。

ちなみにプレート電圧は650V程度まで下げ、大入力時にプレートやSGが破壊されないようにしました。破壊された4D32の内部を見てみると、G2がG1にかなり近く、さらにG2の支柱のスパンが長いため、衝撃や電気的なショックにあまり強くないことがわかります。

          


実際新品の4D32のガラス面を指ではじいても、まるでギターアンプに長期間装着され、振動でマイカがダメになりかけた時の6L6や6CA7のような、危なげな音がします。

最後にHVTCにおいて、ドライバーの出力インピーダンスはあまり低くしないほうが安全であることを付け加えます。

なぜならA1級領域での安全性はわかってきたものの、A2級領域では、その確認がとれていないからです。そこでグリッドがプラス側に振れた時は、グリッド電流により即時波形がクリップするよう、常識と逆行するようですがパワフルではないドライバーを使用しましょう。












.
前のページ
番外編
GK71の後方に6HV5が見える。
その1 新たなる常識の幕開け
その2 実験機の製作と測定
その3 今明かされる第2グリッドの意外な真実
その4 新しいコトバ「高圧3極管接続」
その5 4D32によるHVTC
その6 新しいドライバー6HV5とは