6C33 SINGLE POWER AMP.
我が家にもいた「青い鳥」6AU6がスーパードライバーに変身!
トランスの規格が違っていたことをきっかけに、より最適な ドライバー用の球はないかと、新しい候補を考えていました。

そんな時、たまたまオークションに6AU6がまとまって出品されていたので落札し、ついでに特性曲線を眺めていました。

すると,、なかなか面白い設計方法が有るではないですか。とりあえず下のカーブを見てください。





つまり、プレート供給電圧450V、プレート負荷抵抗28kΩで、150V弱の出力電圧が得られ(P−P280V)、その時のゲインが140倍であることがわかったのです。これなら0,8Vくらいの入力電圧でフルパワーが出せそうです。

またプレート抵抗が低い分、高域特性も期待できそうで、さらにセコい考えですが、バイアスの深い部分が、出力段のそれと打ち消しあい、意外と低い歪率に収まる可能性があります。

この動作は、6AU6にとって一見過酷なように見えますが、実際には3Wのプレート損失に対して、1,8W程度に収まっています。ただしプレート抵抗の損失は2W以上になるため、10Wクラス以上の抵抗器が必要となります。

こうした動作例が今までほとんど無かったのは、真空管回路が中心だった当時、ケミコンの2階建てや、大きなワット数で高抵抗の部品を大量に使用するのは、おおげさで非現実的行為とされていたためと思います。

かつてはケミコンも大きかったり、ホーロー抵抗などの様に、リード線が無かったりで実装しにくい面がありました。ならば、近年登場した部品の小型化と多様性を利用しない手はありません。





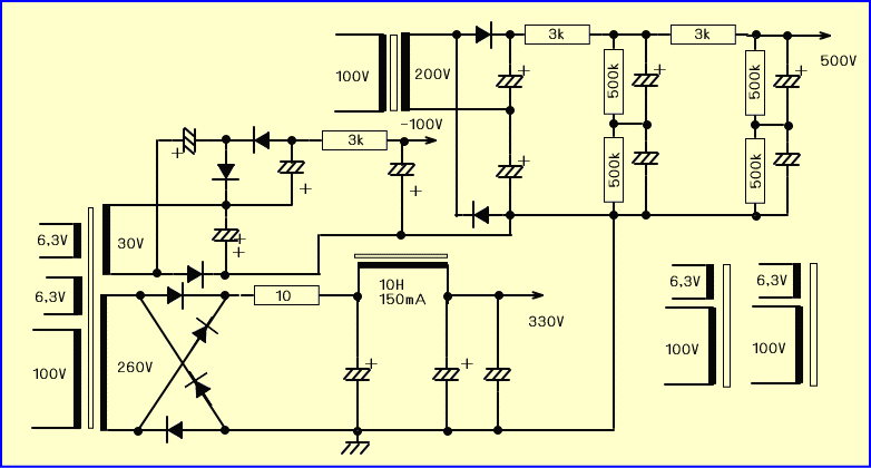
上が回路図です。さらにシンプルな回路構成となり、一見すると、まるで教科書通りですが、内容は電圧や抵抗など、どの教科書にも載っていない数値になっています。「隠れ特殊回路」とでも申しましょうか。

6AU6のプレート抵抗は、5W100KΩ3本で構成した15W33kΩです。設計値と異なるのは、6C33のグリッド抵抗との並列値が28KΩになるようにしてあるからで、その分、6AU6の供給電圧を上げています。

また、ヒータートランスは別としました。





それではこの回路で実際にアンプをつくってみましょう。・・・と思ったのですが計測の結果、ヒータートランスの電流容量が不足していることがわかったのです。

そこで、いろいろと対策を考えていた時、面白い(と言うかずるい)考えが浮かびました。

(つづく)



 HPトップ  真空管トップ
 その1  その2
 その3  その4
 その5  その6



 HPトップ  真空管トップ
その1:既存活用法への疑問と新設計 その2:ああ勘違い
その3:我が家にもいた青い鳥6AU6がスーパードライバーに変身!  その4:シングルカソードという選択肢に意味はあるか!
その5:入力キャパシタンスとはこう戦え! その6:この偉大なるコンビに感謝!